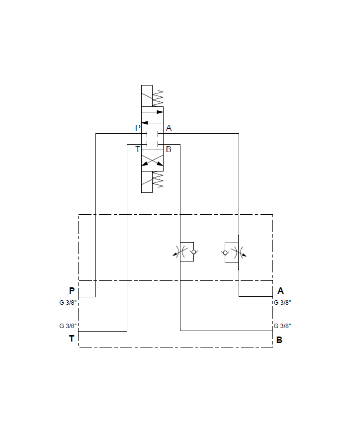
Grundplatten-Ventilaufbau NG06
1-fach
4/3 Wegefunktion mit
Drosselrückschlagventil in A + B Zulaufregelung
Spannung = 24 VDC
Pmax = 210 bar
alle Anschlüsse = G3/8"
Preise sind nur für registrierte Nutzer (B2B-Kunden) sichtbar.
Einloggen
kostenlos registrieren
Varianten
| Artikel-Nr. | Variante | max. Betriebsdruck [bar] | max. Durchfluss [L/Min] | Anschluss | Spannung/Frequenz [VDC] |
|---|---|---|---|---|---|
| 750 643 420 | 1 | 210 | 60 | G3/8" | 24 |