Graetzschaltung
Alle Kategorien
Alle Kategorien
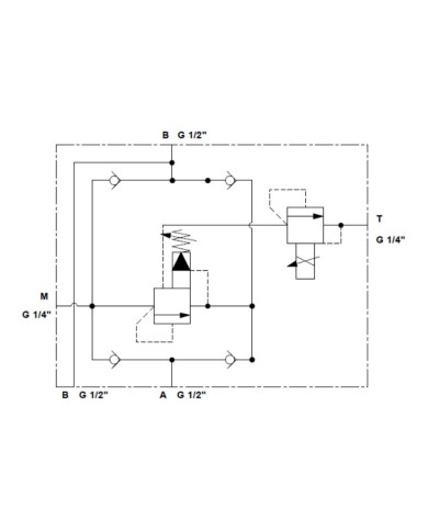
Druckbegrenzung in Gleichrichterschaltung
- Einfach-Senkbremsventilblock
- Doppel-Senkbremshalteventilblock
- Schockventilblock mit entsp. RSV
- Doppel-Schockventilblock mit entsperrb. RSV
- Doppel-Schockventile
- Druckbegrenzungsventile
- Druckbegrenzung in Gleichrichterschaltung
- Umlauf- und Druckbegrenzungsventilblock
- Sperrventile
- Wegeventile elektr. betätigt
- Schwenkbremsbaugruppe
- Hammerventilblock
- Spülventilblock
Filtern nach
Filter: