bis 11 L/Min.

Danfoss/Eaton Vickers Model SV1-8-3 
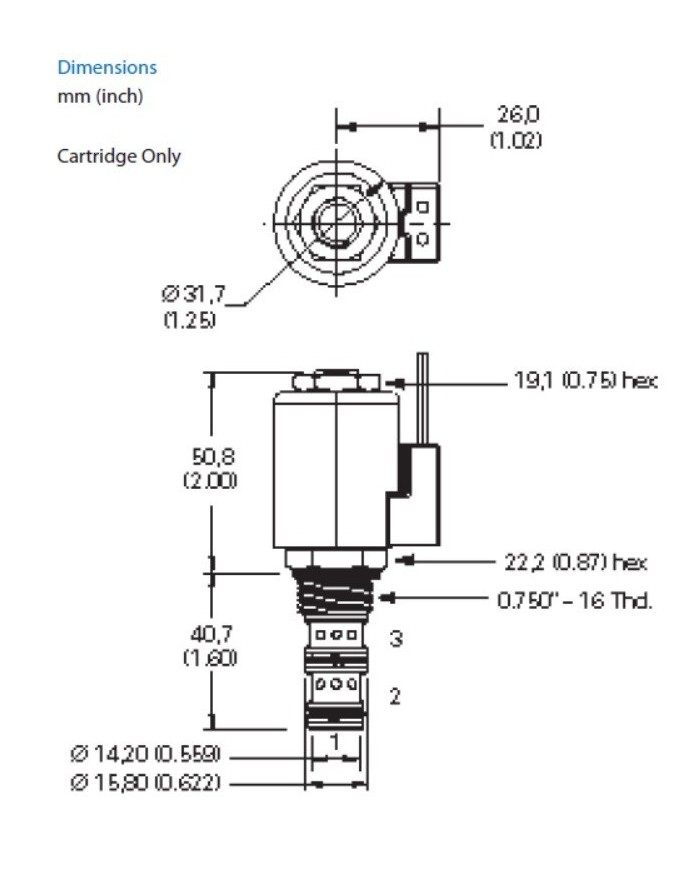
Cavity C-8-3 Size 8

Danfoss/Eaton SV1-8-3/3M - Solenoid Valve
3-way, 2-position spool type solenoid valve

Operation
In the de-energized position this valve allows flow from port 1 to 2 while port 3 is blocked.

In the energized position flow is allowed from port 3 to port 1 while port 2 is blocked.

Varianten

Artikel-Nr. Variante Model Code max. Betriebsdruck [bar] max. Durchfluss [L/Min] Anschluss Einschraubbohrung Dichtung
307 144 001 1 SV1-8-3-000 210 11 cartridge only C-8-3 Buna-N

Download:

Datenblatt Eaton SV1-8-3/3M

Eaton Vickers SV1-8-3/3M - Solenoid Valve

Download (766.61KB)

Warenkorb

Es befinden sich keine weiteren Artikel in Ihrem Warenkorb

Anmelden

Shop

Meine Favoritenliste0