bis 23 L/Min.
Danfoss/Eaton Vickers Model SV1-10-3
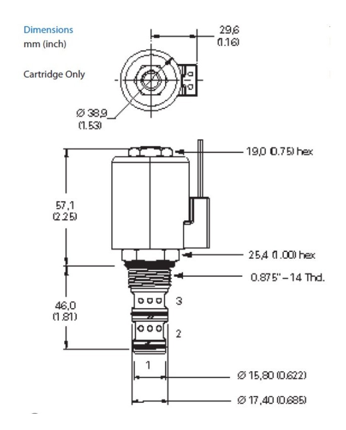
Cavity C-10-3 Size 10
Danfoss/Eaton SV1-10-3/3M/3R - Solenoid Valve
3-way, 2-position, spool type solenoid valve
Operation
In the de-energized position this valve allows flow from port 1 to 2 while port 3 is blocked.
In the energized position flow is allowed from port 3 to port 1 while port 2 is blocked.
Preise sind nur für registrierte Nutzer (B2B-Kunden) sichtbar.
Einloggen
kostenlos registrieren
Varianten
| Artikel-Nr. | Variante | Model Code | max. Betriebsdruck [bar] | max. Durchfluss [L/Min] | Anschluss | Einschraubbohrung | Dichtung |
|---|---|---|---|---|---|---|---|
| 307 144 011 | 1 | SV1-10-3-000 | 210 | 23 | cartridge only | C-10-3 | Buna-N |