bis 11 L/Min.
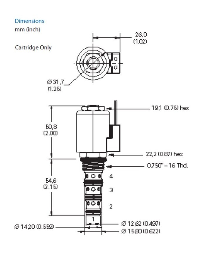
Danfoss/Eaton Vickers Model SV1-8-4
Cavity C-8-4 Size 8
Danfoss/Eaton Vickers SV1-8-4/4M - Solenoid Valve
4-way, 2-position, spool type solenoid valve
Operation
In the de-energized position this valve allows flow from port 4 to port 1 and from port 3 to port 2.
In the energized position flow is allowed from port 3 to port 4 and from port 2 to port 1.
Preise sind nur für registrierte Nutzer (B2B-Kunden) sichtbar.
Einloggen
kostenlos registrieren
Varianten
| Artikel-Nr. | Variante | Model Code | max. Betriebsdruck [bar] | max. Durchfluss [L/Min] | Anschluss | Einschraubbohrung | Dichtung |
|---|---|---|---|---|---|---|---|
| 307 142 400 | 1 | SV 1-8-4-000 | 210 | 11 | cartridge only | C-8-4 | Buna-N |