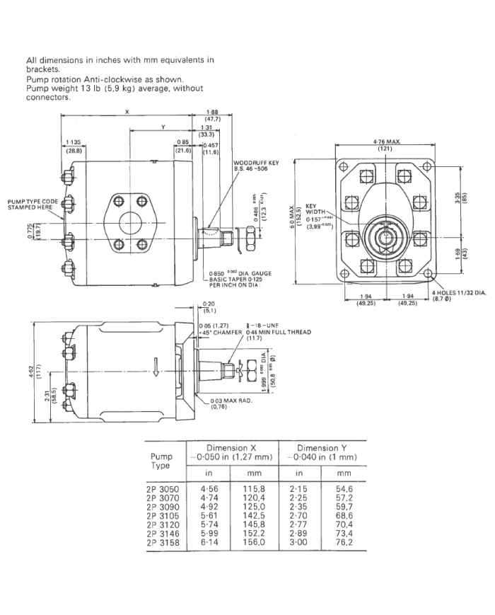
Zahnradpumpe 4-Loch-Flansch
Dowty, 2P 3146
45 ccm
Rechtslauf - Clockwise
Max. Betriebsdruck: 174 bar / 2525 psi
Max. Drehzahl bei Max. Betriebsdruck: 2500 U/min. / rpm
Min. Drehzahl bei Dauerdruck: 650 U/min. / rpm
Preis pro Stück CHF 280.00 *
* Die Preise verstehen sich exkl. MWSt / exkl. Versand
Preise sind nur für registrierte Nutzer (B2B-Kunden) sichtbar.
Einloggen
kostenlos registrieren
Varianten
| Artikel-Nr. | Variante | max. Betriebsdruck [bar] | max. Drehzahl [U/Min] | Drehrichtung | max. Durchfluss [L/Min] | Fördervolumen [cm3/U] |
|---|---|---|---|---|---|---|
| 365 026 488 | 1 | 174 | 2500 | CW | 66.5 | 45.48 |