bis 38 L/Min.

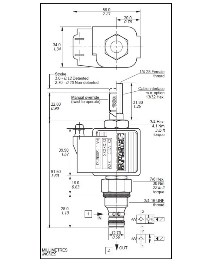
Parker Model GS02 01 / GS02 02

Parker - GS02 01 / GS02 02 - Solenoid valve - poppet type - 2 position 2 way - normally closed

Features

  • High flow capacity with reduced space requirements.
  • One piece cartridge housing ensures internal concentricity.
  • Coil: Waterproof, hermetically sealed, requires no O’Rings;
    Interchangeable with 04 and 06 series poppet valves;
    Symmetrical coil can be reversed without affecting performance.


Operation
De-energized the spring holds the pilot against its seat. Pressure on the side port behind the poppet holds it firmly closed. Pressure on the nose port lifts and opens the poppet. Energized the pilot is pulled by the armature lifting it off its seat. Side port pressure creates pilot flow across the poppet and a pressure imbalance which allows it to lift. Nose port pressure seats the poppet but allows restricted oil flow (without the free reverse flow feature).

The coil is not included in delivery - die Magnetspule ist im Lieferumfang nicht enthalten.



Varianten

Artikel-Nr. Variante Model Code max. Betriebsdruck [bar] max. Durchfluss [L/Min] Dichtung Hinweis
308 028 010 1 GS020100N 210 19 Buna-N Cartridge Only
308 028 020 2 GS020200N 210 38 Buna-N Cartridge Only

Download:

Datenblatt Parker GS02 01-02

Parker Solenoid Valve GS02 01 / GS02 02

Download (69.35KB)

Warenkorb

Es befinden sich keine weiteren Artikel in Ihrem Warenkorb

Anmelden

Shop

Meine Favoritenliste0