SBV bis 60 L/Min.

Danfoss/Eaton Model CBV2-10 
Pilot Ratio 10:1
Cavity C-10–3S Size 10

Eaton Vickers CBV1/2-10 counterbalance valve

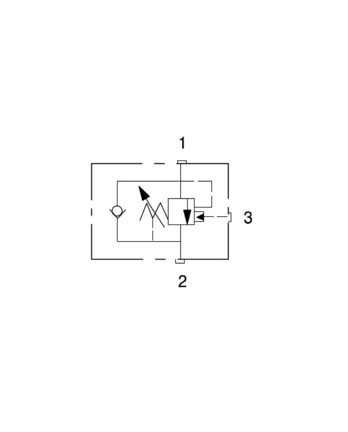
The CBV*-10 is a 3-ported, externally piloted, screw-in cartridge type counterbalance valve.

Operation
The CBC counterbalance valve allows free flow from port 2 (inlet) to port 1 (load). Flow from port 1 to port 2 is blocked until either the predetermined pressure setting has been reached or sufficient pilot pressure has been applied to port 3 (pilot).

Adjustment K: Hand Knob

Varianten

Artikel-Nr. Variante Model Code max. Betriebsdruck [bar] Anschluss Aufsteuerverhältnis Öffnungsdruck [bar] Einschraubbohrung Dichtung Hinweis Nennvolumenstrom [L/Min.]
307 305 020 1 CBV2-10-K-0-B-30-00 350 cartridge only 10:1 62-210 C-10-3S Buna-N Hand Knob 60

Download:

Datenblatt Eaton CBV1/2-10

Eaton Vickers CBV1/2-10 Counterbalance Valve

Download (1.24MB)

Warenkorb

Es befinden sich keine weiteren Artikel in Ihrem Warenkorb

Anmelden

Shop

Meine Favoritenliste0