DRV bis 80 L/Min.
SUN Model PBFB OAN
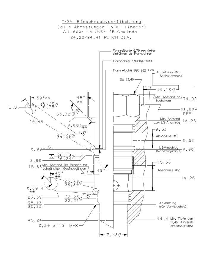
Einschraubbohrung T-2A
2-Wege-Druckregelventil, vorgesteuert
Vorgesteuerte 2-Wege-Druckregler reduzieren einen hohen Primärdruck an Anschluss 2 auf einen niedrigeren, geregelten Druck an Anschluss 1. Dadurch können Schaltungen mit unterschiedlichen Drücken von einer Pumpe versorgt werden.
Einstellung: PBFB O** Handrad für Schalttafeleinbau
Preise sind nur für registrierte Nutzer (B2B-Kunden) sichtbar.
Einloggen
kostenlos registrieren
Varianten
| Artikel-Nr. | Variante | Model Code | max. Betriebsdruck [bar] | max. Durchfluss [L/Min] | Einschraubbohrung | Einstellbereich [bar] | Dichtung | Standard-Einstellung [bar] |
|---|---|---|---|---|---|---|---|---|
| 300 200 158 | 1 | PBFB OAN | 350 | 80 | T-2A | 7-210 | Buna-N | 14 |