DBV 20 L/Min.

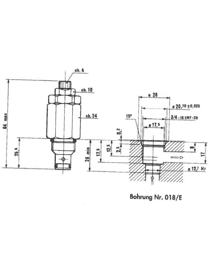
Model VS-20 Einschraubbohrung 018/E

Oil Control - VS-20 - direktgesteuertes Druckbegrenzungsventil

Dieses Ventil eignet sich sowohl für Überdruckabsicherung als auch für kontinuierlichen Betrieb.

  • geräuscharmer Betrieb bei hoher Stabilität
  • sehr gernige Hysterese
  • Filtergrad, 50 micron und besser
  • Leckage, leckagefreie Sitzausführung

Varianten

Artikel-Nr. Variante Model Code max. Betriebsdruck [bar] max. Durchfluss [L/Min] Einschraubbohrung Einstellbereich [bar] Standard-Einstellung [bar]
310 108 035 1 VS-20 350 20 018/E 150-350 350

Warenkorb

Es befinden sich keine weiteren Artikel in Ihrem Warenkorb

Anmelden

Shop

Meine Favoritenliste0