Serie S Winkel-Einschraub-Drehstutzen DGWES - R-WD

Einschraubgewinde BSP (zylindrisch) mit Weichdichtung Elastomer

mit Weichdichtung: NBR
FPM (z.B. Viton) auf Anfrage.

Eaton Walterscheid Verschraubungen.

Varianten

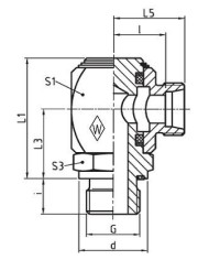
Artikel-Nr. Variante Model Code max. Betriebsdruck [bar] l [mm] d [mm] i [mm] G Rohr AD L1 [mm] L3 [mm] L5 [mm] S1 [mm] S3 [mm]
037 225 660 1 DGWES 16 SR-WD 400 bar 25.5 26.9 14 1/2A 16 59 33 34 40 32

Warenkorb

Es befinden sich keine weiteren Artikel in Ihrem Warenkorb

Anmelden

Shop

Meine Favoritenliste0