DFV bis 150 L/Min.

Eaton Model 1PSC100

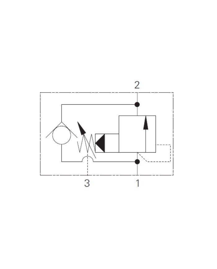
Eaton Integrated 1PSC100 - Pressure sequence Valve
Poppet, pilot operated, normally closed, internal pilot, external drain, reverse flow check

Operation
As in the pilot operated relief, when the setting of the valve is exceeded the pilot section opens. This pilot flow causes a pressure imbalance opening the main section and allowing flow to a secondary circuit (sequenced line).

Features
Match ground and honed hardened working parts give long, trouble-free life. Consistent stable operation providing low pressure rise due to increasing flow.
Cartridge construction gives maximum flexibility in mounting. Steel valve bodies available on request.

Description
Sequence valves provide ordered sequencing of two or more operations as with clamp and drill circuits. They can also be used as relief valves where the downstream pressure is high or changes during operation. By taking the drain line directly to tank, back pressure effects are negated.

Adjustment Means
P = Leackproof Screw Adjustment

Varianten

Artikel-Nr. Variante Model Code max. Betriebsdruck [bar] max. Durchfluss [L/Min] Einschraubbohrung Einstellbereich [bar] Dichtung Hinweis Standard-Einstellung [bar]
540 125 070 1 1PSC100-P-35-S 350 150 A880 50-350 Nitrile Cartridge Only 280

Download:

Datenblatt Eaton 1PSC100

Eaton 1PSC100 - Pressure Sequence Valve

Download (504.09KB)

Warenkorb

Es befinden sich keine weiteren Artikel in Ihrem Warenkorb

Anmelden

Shop

Meine Favoritenliste0