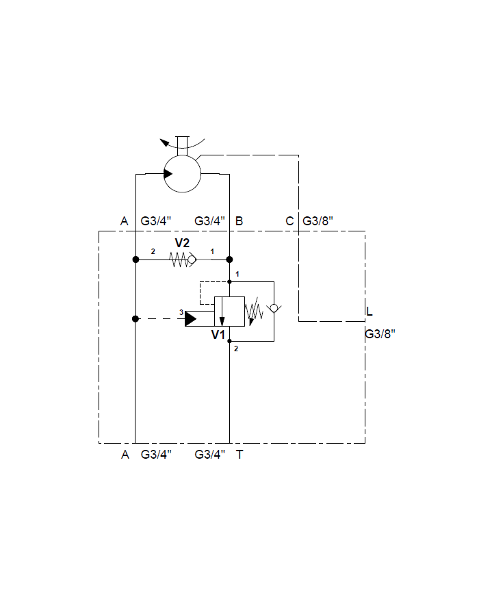
zu Parker F11 mit Hohlschraubenbefestigung

mit Senkbremsventil SUN CBGH LDN
mit Rückschlagventil SUN CXHA XAN

Varianten

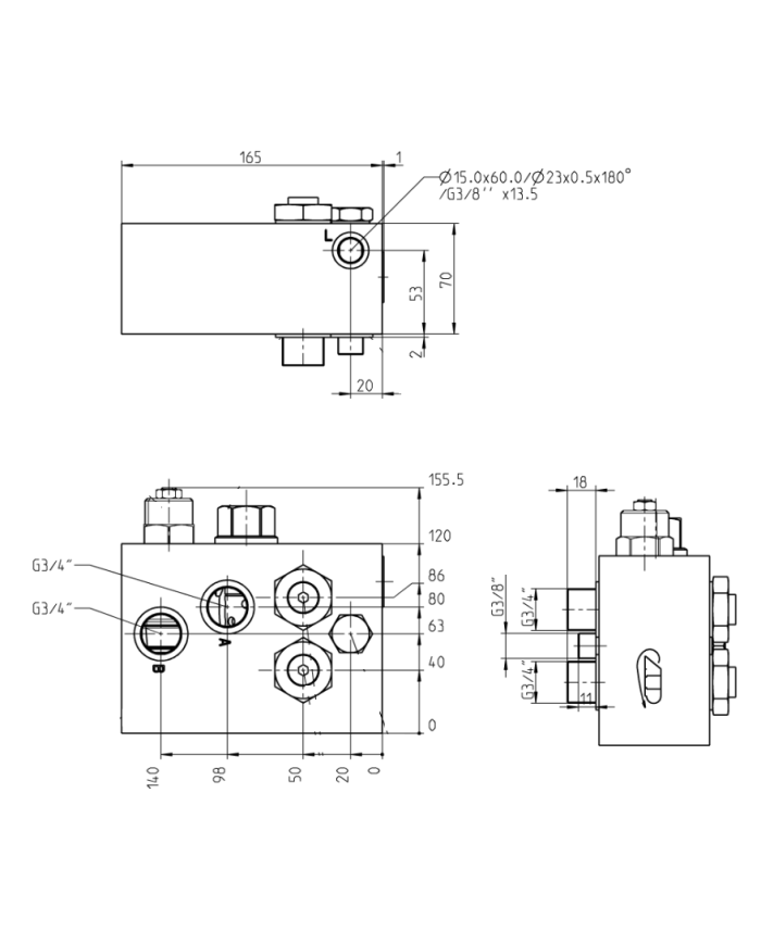
Artikel-Nr. Variante max. Betriebsdruck [bar] max. Durchfluss [L/Min] Anschluss Aufsteuerverhältnis
750 642 050 2 270 240 G3/4" 10:1

Warenkorb

Es befinden sich keine weiteren Artikel in Ihrem Warenkorb

Anmelden

Shop

Meine Favoritenliste0