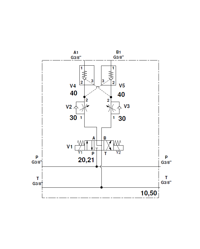
1 Sektionsblock

1-fach
4/3 Wegefunktion mit
2x Drosselrückschlagventil
2x Rückschlagventil entsperrbar

U = 24 VDC
Pmax = 210 bar
Qmax = 20 L/Min. / Sektion
alle Anschlüsse = G3/8"

Varianten

Artikel-Nr. Variante max. Betriebsdruck [bar] max. Durchfluss [L/Min] Spannung/Frequenz [VDC]
750 647 051 1 210 20 24

Warenkorb

Es befinden sich keine weiteren Artikel in Ihrem Warenkorb

Anmelden

Shop

Meine Favoritenliste0