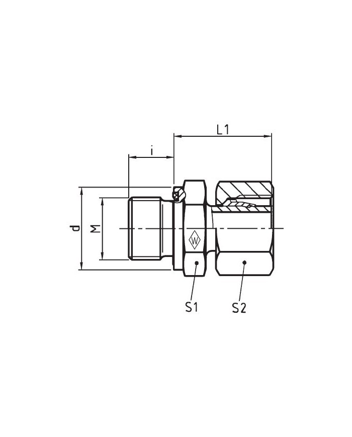
Serie L Gerade-Einschraubstutzen P-EGES - M-WD-SV
Einschraubgewinde M und Weichdichtung Elastomer
mit Schaft vormontiert
Weichdichtung NBR (z.B. Perbunan).
FPM (z.B. Viton) auf Anfrage.
Eaton Walterscheid Verschraubungen.
Preise sind nur für registrierte Nutzer (B2B-Kunden) sichtbar.
Einloggen
kostenlos registrieren
Varianten
| Artikel-Nr. | Variante | Model Code | max. Betriebsdruck [bar] | M [mm] | d [mm] | i [mm] | L1 [mm] | S1 [mm] | S2 [mm] |
|---|---|---|---|---|---|---|---|---|---|
| 041 344 060 | 1 | P-EGES 6 LM-WD-SV | 500 bar | 10x1 | 13.9 | 8 | 24.5 | 14 | 14 |
| 041 344 080 | 2 | P-EGES 8 LM-WD-SV | 500 bar | 12x1.5 | 16.9 | 12 | 26.5 | 17 | 17 |
| 041 344 100 | 3 | P-EGES 10 LM-WD-SV | 500 bar | 14x1.5 | 18.9 | 12 | 27.5 | 19 | 19 |
| 041 344 120 | 4 | P-EGES 12 LM-WD-SV | 400 bar | 16x1.5 | 21.9 | 12 | 30.5 | 22 | 22 |
| 041 344 150 | 5 | P-EGES 15 LM-WD-SV | 400 bar | 18x1.5 | 23.9 | 12 | 31.5 | 24 | 27 |
| 041 344 180 | 6 | P-EGES 18 LM-WD-SV | 400 bar | 22x1.5 | 26.9 | 14 | 31.5 | 27 | 32 |
| 041 344 220 | 7 | P-EGES 22 LM-WD-SV | 250 bar | 26x1.5 | 31.9 | 16 | 32.5 | 32 | 36 |