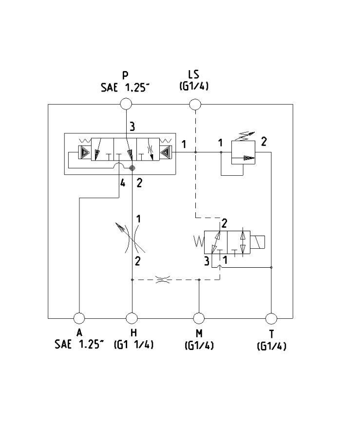
Hammerventilblock
mit 1x SUN 3-Wege Vorzugsdruckwaage
mit 1x SUN Drosselventil
mit 1x 3/2-Wege Magnetventil, Schieberbauweise
mit 1x Druckbegrenzungsventil, direkt gesteuert
mit 1x 24VDC Spule mit ISO/DIN 43650, Form A Steckverbinder mit TVS Diode
Anschlüsse
A, P: SAE 1 1/4“ 6000psi
H: G 1 1/4“
Restliche Anschlüsse: G 1/4“
Preise sind nur für registrierte Nutzer (B2B-Kunden) sichtbar.
Einloggen
kostenlos registrieren
Varianten
| Artikel-Nr. | Variante | max. Betriebsdruck [bar] | max. Durchfluss [L/Min] |
|---|---|---|---|
| 300 882 001 | 1 | 350 | 240 |