Ventilstecker MSUD BF A 18mm und Kabel
mit freiem Leitungsende
24 V AC/DC
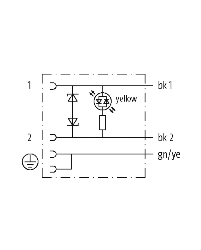
LED und Schutzbeschaltung Z-Diode
MURR elektronik, Bauform 18021
MSUD Ventilstecker BF A 18 mm mit freiem Leitungsende
PUR-JZ 3x0,75 schwarz UL, CSA + schleppk. 1,5m/5m/10m
Bauform A (18 mm)
24 V AC ±20% / DC ±25%
LED und Schutzbeschaltung
PE gebrückt
Das Material der Gehäuse ist aus Kunststoff und hat eine gute Chemikalien- und Ölbeständigkeit.
Technische Daten
Betriebsspannung: max. 24 V AC ±20% / DC ±25%
Betriebsstrom je Kontakt: max. 4 A
Bemessungsstossspannung: 0.8 kV
Stromaufnahme: max. 15 mA
Isolierstoffgruppe: IEC 60664-1, category I
Abschaltspitze: max. 55 V
Abfallverzögerungszeit: max. 20 ms
LED-Anzeige: gelb
Verriegelung der Steckplätze: M3 (empf. Anzugsdrehmoment 0.4 Nm)
Schutzart: IP67 in gestecktem und verschraubtem Zustand (EN 60529)
Material: PBT
Gehäuse: Kunststoff, schwarz
Zusatzbeschaltung: Diode/Z-Diode
Leitungen
Adernzahl/-querschnitt: 3× 0.75 mm²
Aderisolation: PP (sw num, gnge)
Schleppkettenwerte: 5 Mio.
Material (Mantel): PUR (UL/CSA)
Außen-Ø: 5.9 mm ±5%
Biegeradius (bewegt): 10× Außen-Ø
Temperaturbereich (fest): -40...+80 °C
Temperaturbereich (bewegt): -25...+80 °C
Kabelkennung: 636
Kabeltyp: 3 (PUR)
Zulassung (Kabel): UL (AWM-Style 20233/10493), CSA; CE conform
Kabelgewicht [g/m]: 56,10
Material (Leiter): Cu-Litze, blank
Widerstand (Leiter): max. 26 W/km (20 °C)
Einzeldraht-Ø (Leiter): 0.15 mm
Aufbau (Leiter): 42× 0.15 mm (Litzenklasse 6)
Querschnitt (Leiter): 3× 0.75 mm²
Material (Aderisolierung): PP
Materialeigenschaften (Aderisolierung): FCKW-, halogen-, cadmium-, silikon- und bleifrei
Shore-Härte (Aderisolierung): 70 ±5 D
Ader-Ø inkl. Isolierung: 1.85 mm ±5%
Adernfarbe/Nummerierung: sw nummeriert, gnge längsgestreift
Verseilverbund: 3 Adern verseilt
Schirmung: nein
Material (Mantel): PUR
Materialeigenschaften (Mantel): FCKW-, halogen-, cadmium-, silikon- und bleifrei, matt, adhäsionsarm, maschinell gut verarbeitbar, abriebresistent, hydrolyse- und mikrobenbeständig
Shore-Härte (Mantel): 90 ±5 A
Außen-Ø (Mantel): 5.9 mm ±5%
Farbe (Mantel): schwarz
chemische Beständigkeit: g ute Öl-, Benzin- und Chemikalienb eständ ig keit (VDE 0472 Teil 803 Test B)
thermische Beständigkeit: flammwidrig nach UL 1581 VW1 / CSA FT1 / IEC 60332-1, IEC 60332-2-2
Nennspannung: 300 V AC
Prüfspannung: 2500 V AC
Strombelastbarkeit: nach DIN VDE 0298-4
Temperaturbereich (fest): -40...+80 °C, (+90 °C bei max. 10 000 Betriebsstunden)
Temperaturbereich (bewegt): -25...+80 °C, (+90 °C bei max. 10 000 Betriebsstunden)
Biegeradius (fest): 5× Außen-Ø
Biegeradius (bewegt): 10× Außen-Ø
Anzahl Biegezyklen (Schleppkette): max. 5 Mio. (25 °C)
Verfahrweg (Schleppkette): max. 5 m (horizontal)
Verfahrgeschwindigkeit (Schleppkette): max. 3.3 m/s
Beschleunigung (Schleppkette): max. 5 m/s²
Torsionsbeanspruchung: ±180°/m
Anzahl Torsionszyklen: max. 2 Mio. (25 °C)
Torsionsgeschwindigkeit: 35 Zyklen/Min
Allgemeine Daten
Verschmutzungsgrad: 3
Temperaturbereich: -25...+85 °C, abhängig von angeschlossener Leitung
Material (Dichtung): PUR
Preise sind nur für registrierte Nutzer (B2B-Kunden) sichtbar.
Einloggen
kostenlos registrieren
Varianten
| Artikel-Nr. | Variante | Model Code | Bemessungsbetriebsstrom [A] | Spannung [V] | Stromaufnahme [mA] | Kabel Länge [m] |
|---|---|---|---|---|---|---|
| 180 096 415 | 1 | 7000-18021-6360150 | 4 | 24 | 15 | 1.5 |
| 180 096 410 | 2 | 7000-18021-6360500 | 4 | 24 | 15 | 5 |
| 180 096 411 | 3 | 7000-18021-6361000 | 4 | 24 | 15 | 10 |