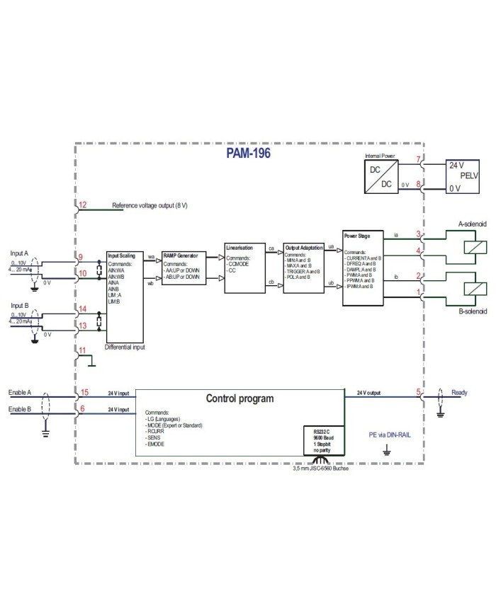
Leistungsverstärker PAM-196 für Wegeventile
PAM-196
Digitaler Leistungsverstärker zur Ansteuerung von zwei unabhängigen Drossel- oder Druckventilen.
- Bedienung über die Beniensoftware WPC-300
- Universell für die Ventile aller Hersteller geeignet
- sehr robust, vielfältige interne Überwachungen
- spezielle Sonderfunktionen sind möglich
- optional mit Profibus oder Can Bus
Preise sind nur für registrierte Nutzer (B2B-Kunden) sichtbar.
Einloggen
kostenlos registrieren
Varianten
| Artikel-Nr. | Variante | Model Code |
|---|---|---|
| 180 668 405 | 1 | PAM-196 |