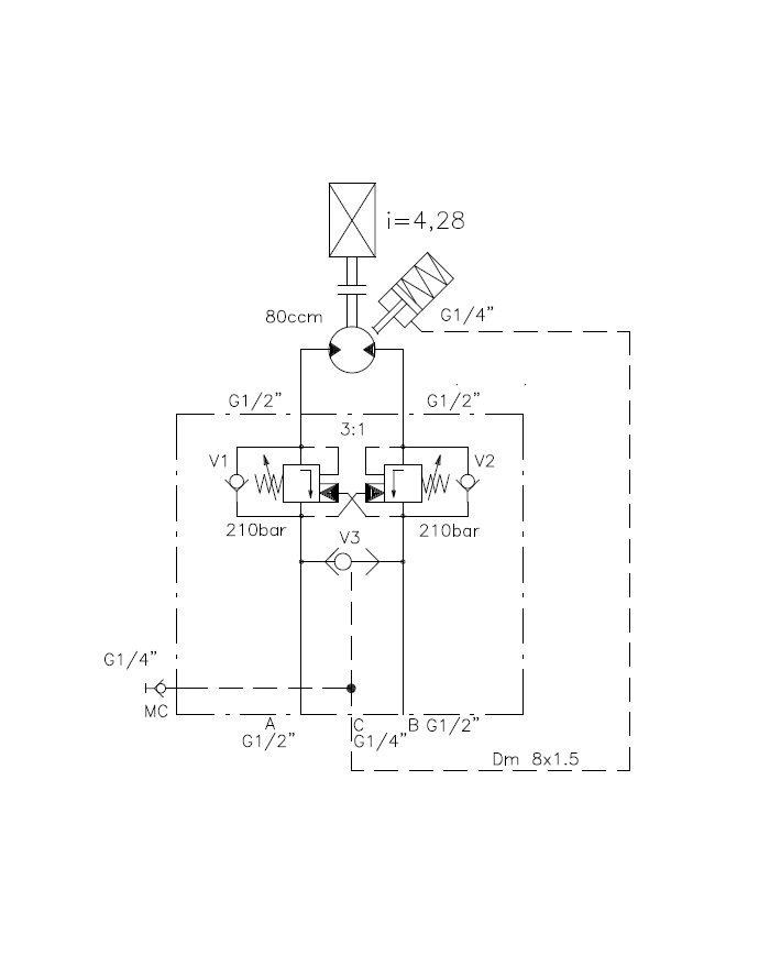
Planetengetriebe PG 161
mit Motor Char-Lynn 2000 / SAE A / 2-Loch Welle Zyl. 25mm / 80 ccm
mit SBV
Drehmoment Motor (kont./intermitt.): 235/245 Nm
Betriebsdruck Motor (kont.): 205 bar
Preise sind nur für registrierte Nutzer (B2B-Kunden) sichtbar.
Einloggen
kostenlos registrieren
Varianten
| Artikel-Nr. | Variante | max. Betriebsdruck [bar] | max. Drehzahl [U/Min] | Schluckvolumen [cm3/U] | Ausgangs-Drehmoment (kont.) [Nm] | Untersetzungsverhältnis |
|---|---|---|---|---|---|---|
| 746 055 514 | 1 | 205 | 212 | 80 | 1005 | 4.28 |