Sensor induktiv
BHS A407N-PSD15-BP01,2-GS49
Balluff Induktive Sensoren
BHS A407N-PSD15-BP01,2
Balluff Artikel-Nr.: 216347
Elektrische Merkmale
Ausgangswiderstand Ra: open collector
Bemessungsbetriebsspannung Ue: 24 VDC
Bemessungsbetriebsstrom Ie: 100 mA
Bemessungsisolationsspannung Ui: 75 V DC
Bemessungskurzschlussstrom: 100 A
Bereitschaftsverzug tv max.: 20 ms
Betriebsspannung Ub: 10...30 VDC
Gebrauchskategorie: DC-13
Kleinster Betriebsstrom Im: 10 mA
Lastkapazität max. bei Ue: 0.5 μF
Leerlaufstrom Io max., bedämpft: 10 mA
Leerlaufstrom Io max., unbedämpft: 7 mA
Reststrom lr max.: 10 μA
Restwelligkeit max. (% von Ue): 10 %
Schaltfrequenz: 4000 Hz
Spannungsfall statisch max.: 2.5 V
Elektrischer Anschluss
Anschlussart: Kabel, 2.00 m, PUR
Anzahl der Leiter: 3
Kabeldurchmesser D: 2.50 mm
Kabellänge L: 2 m
Kurzschlussschutz: ja
Leiterquerschnitt: 0.10 mm²
Verpolungssicher: ja
Vertauschmöglichkeit geschützt: ja
Allgmeine Merkmale
Grundnorm: IEC 60947-5-2
Stützring, Ersatzteilenummer: 154150
Zulassung/Konformität: CE, cULus, EAC, WEEE
Anzeige / Bedienung
Betriebsspannungsanzeige: nein
Funktionsanzeige: nein
Ausgang / Schnittstelle
Schaltausgang: PNP Schließer (NO)
Erfassungsbereich / Messbereich
Gesicherter Schaltabstand Sa: 1.2 mm
Hysterese H max. (% von Sr): 15.0 %
Nennschaltabstand Sn: 1.5 mm
Realschaltabstand Sr: 1.5 mm
Realschaltabstand Sr, Toleranz: ±10 %
Temperaturdrift max. (% von Sr): 10 %
Wiederholgenauigkeit max. (% von Sr): 5.0 %
Mechanische Merkmale
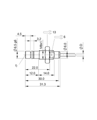
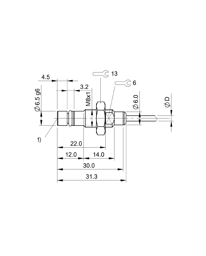
Abmessung: Ø 6.5 x 31.3 mm
Anzugsdrehmoment: 7 Nm ±10 %
Baugröße: D6.5
Befestigung: M8x1
Dichtring, Ersatzteilenummer: 154149
Dichtring, Größe: 4 × 1.5 mm
Druckfestigkeit max.: 500 bar
Druckfestigkeit, Hinweis: öldruckfest
Einbau: bündig
Funktionale Sicherheit
MTTF (40 °C): 735 a
Material
Aktive Fläche, Material: Keramik
Dichtringmaterial: NBR 70
Gehäusematerial: Edelstahl
Mantelmaterial: PUR
Stützringmaterial: PTFE
Umgebungsbedingungen
EN 60068-2-27, Schock: Halbsinus, 30 gn, 11 ms
EN 60068-2-6, Vibration: 55 Hz, Amplitude 1 mm, 3x30 min
Schutzart: IP68
Umgebungstemperatur: -25...80 °C
Verschmutzungsgrad: 3
Preise sind nur für registrierte Nutzer (B2B-Kunden) sichtbar.
Einloggen
kostenlos registrieren
Varianten
| Artikel-Nr. | Variante | Model Code | Spannung [VDC] | Bemessungsbetriebsstrom [A] |
|---|---|---|---|---|
| 180 172 525 | 1 | BHS A407N-PSD15-BP01,2 | 10-30 | 100mA |