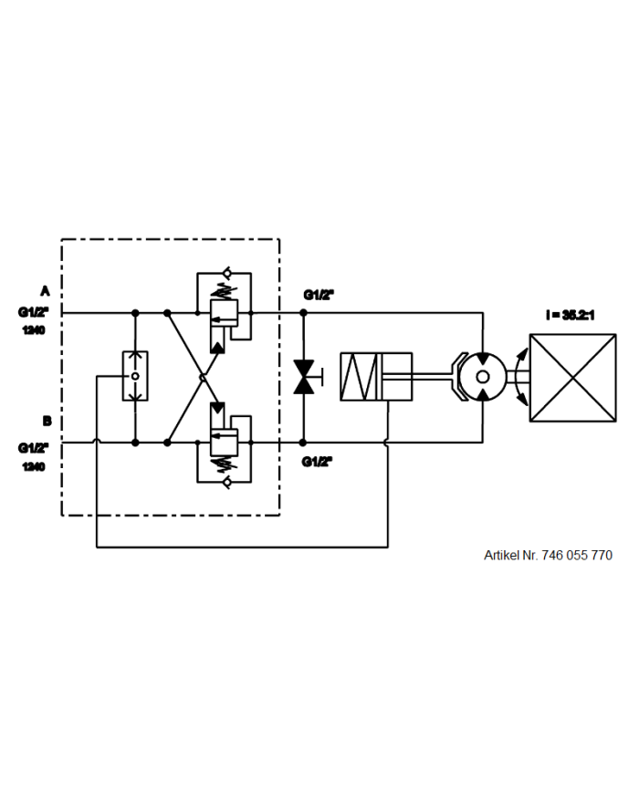
Reduktionsgetriebe RT 400-55
mit Motor Serie T / 2-Loch-Flansch / 66 ccm
mit Bremse, mit SBV, Freilauf
Drehmoment Motor: kont. 138 Nm / intermitt. 168 Nm
Betriebsdruck Motor: kont. 140 bar / intermitt. 155 bar
Preise sind nur für registrierte Nutzer (B2B-Kunden) sichtbar.
Einloggen
kostenlos registrieren
Varianten
| Artikel-Nr. | Variante | Schluckvolumen [cm3/U] | Ausgangs-Drehmoment (kont.) [Nm] | Untersetzungsverhältnis | Ausgangs-Drehmoment (intermitt.) [Nm] |
|---|---|---|---|---|---|
| 746 055 770 | 1 | 66 | 3900 | 35.2:1 | 4500 |