3000 PSI Stahl ST 52.3

Varianten

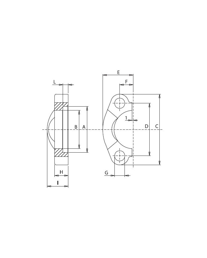
Artikel-Nr. Variante Model Code max. Betriebsdruck [bar] A ["] A [mm] B [mm] C [mm] D [mm] E [mm] F [mm] G [mm] H [mm] I [mm] L [mm]
070 517 005 1 SF. 3001-M 210 1/2" 31 24.3 55 38.1 23 8.7 8.75 13 20 6.2
070 517 007 2 SF. 3002-M 210 3/4" 38.9 32.1 66 47.6 26 11.1 10.5 14 22 6.2
070 517 010 3 SF. 3003-M 210 1" 45.2 38.5 69 52.4 29.2 13.1 10.5 16 24 7.5
070 517 011 4 SF. 3004-M 210 1 1/4" 51.6 43.7 79 58.7 36.3 15.1 12 14 22 7.5
070 517 015 5 SF. 3005-M 210 1 1/2" 61.1 50.8 95 69.9 41.1 17.9 13.5 16 25 7.5
070 517 020 6 SF. 3006-M 210 2" 72.2 62.7 103 77.8 48.2 21.4 13.5 16 26 9
070 517 025 7 SF. 3007-M 175 2 1/2" 84.9 74.9 114 88.9 54 25.4 13.5 19 38 9
070 517 030 8 SF. 3008-M 135 3" 102.4 90.9 136 106.4 65.3 31 17 22 41 9
070 517 035 9 SF. 3009-M 35 3 1/2" 115 102.4 151 120.65 70 34.9 17 23 45 10.7
070 517 040 10 SF. 3010-M 35 4" 127.8 115.1 161 130.18 75 38.9 17 25 48 10.7

Download:

Warenkorb

Es befinden sich keine weiteren Artikel in Ihrem Warenkorb

Anmelden

Shop

Meine Favoritenliste0