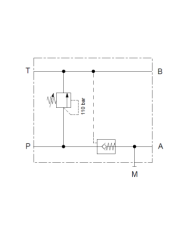
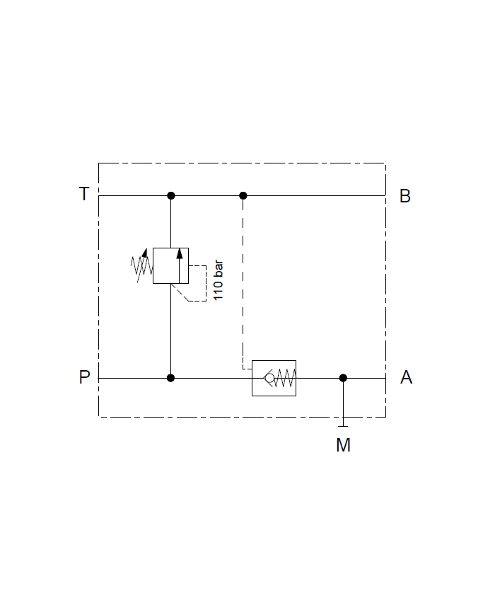
M16x1.5 - 60L/Min - 210bar

mit 1x DBV
mit 1x Rückschlagventil

Varianten

Artikel-Nr. Variante max. Betriebsdruck [bar] max. Durchfluss [L/Min] Anschluss Aufsteuerverhältnis
750 644 420 1 210 60 M16x1.5 (P,T,A,B); M14x1.5 (M) 1:4

Warenkorb

Es befinden sich keine weiteren Artikel in Ihrem Warenkorb

Anmelden

Shop

Meine Favoritenliste0