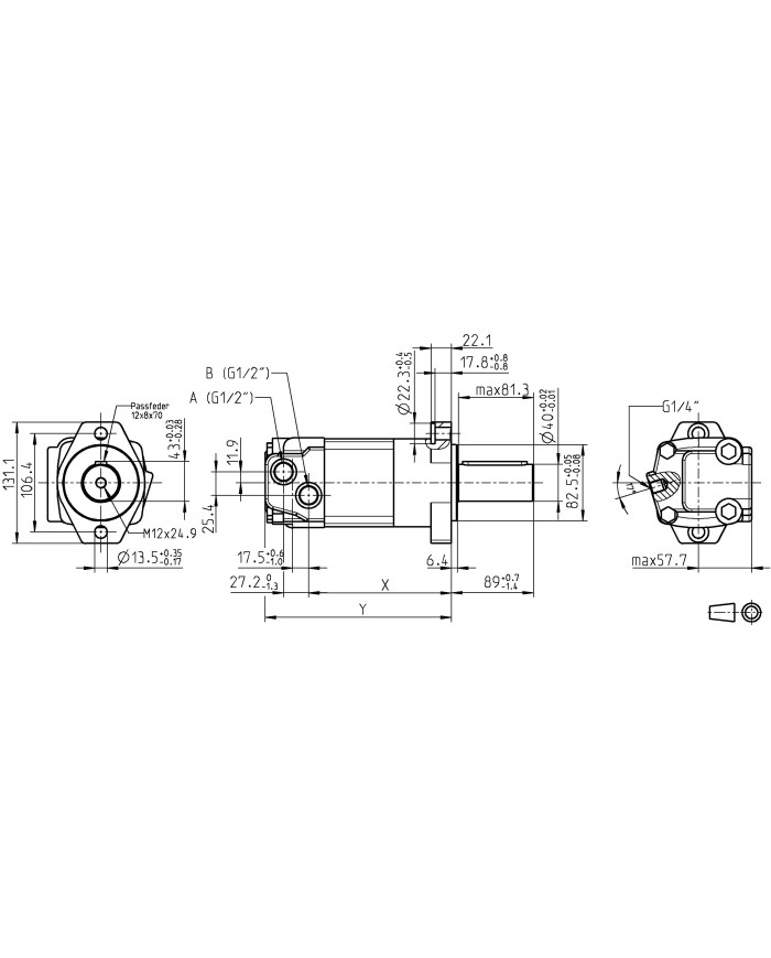
2-Lochflansch SAE A, 160 - 490 cm3/U

Welle zyl. Ø 40mm

Anschluss 1/2’’BSP

2-Loch-Flansch SAE A
Abstand 106.4mm
Zentrierung 82.5 x 6mm

Welle zyl. Ø 40mm

Anschluss 1/2’’BSP

Varianten

Artikel-Nr. Variante Danfoss/Eaton Produkt-Nr. Schluckvolumen [cm3/U] Drehmoment (kont./intermitt.) [Nm] X [mm] Y [mm] max. Drehzahl (kont./intermitt.) [U/Min]
405 532 220 1 169-xxxx 157 510/690 154.7 201.9 464/699
405 532 230 2 169-xxxx 200 758/840 163.8 211.1 375/562
405 532 240 3 169-xxxx 250 734/935 175.3 222.5 300/450
405 532 250 4 169-xxxx 325 793/1053 191.0 238.5 234/351
405 532 260 5 169-xxxx 405 800/921 208.5 255.8 188/282
405 532 270 6 169-xxxx 490 975/1218 208.5 255.8 155/232

Download:

Katalog ATP Motoren 2000_4000c

Danfoss Hydraulikmotoren Serie 2000, 2000 2-Speed, 4000 Compact

Download (8.14MB)

Warenkorb

Es befinden sich keine weiteren Artikel in Ihrem Warenkorb

Anmelden

Shop

Meine Favoritenliste0