Serie XCEL XL6

4-Lochfl. Welle zyl. Ø50mm mit Leckölanschluss

M C6 _ _ _ AH 12 AC 03 000 0 B 00 00 00 AB AA B

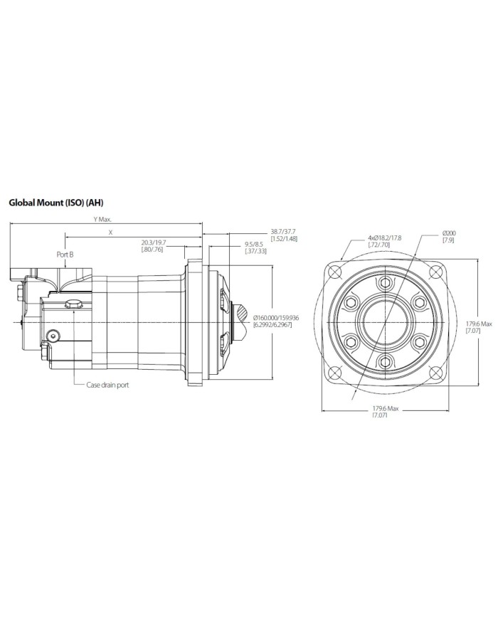
4-Loch-Flansch
Abstand 160.00 mm
Zentrierung 18.01 mm

Ø-Bohrungen auf 200.00 mm

Welle zyl. Ø50.00 mm

Anschluss G1"
mit Leckölanschluss G 1/4" BSP

Varianten

Artikel-Nr. Variante Model Code Danfoss/Eaton Produkt-Nr. max. Betriebsdruck [bar] max. Drehzahl [U/Min] Schluckvolumen [cm3/U] Drehmoment (kont./intermitt.) [Nm]
405 662 920 1 MC6195AH12AC030000B000000ABAAB 632AG00xxxA, 310 866 195 575/860
405 662 930 2 MC6245AH12AC030000B000000ABAAB 632AG00xxxA 310 834 245 735/1100
405 662 940 3 MC6310AH12AC030000B000000ABAAB 632AG00108A 310 698 310 930/1355
405 662 950 4 MC6390AH12AC030000B000000ABAAB 632AG00102A 310 570 390 1155/1635
405 662 960 5 MC6490AH12AC030000B000000ABAAB 632AG00xxxA 275 454 490 1445/1885
405 662 970 6 MC6625AH12AC030000B000000ABAAB 632AG00xxxA 221 355 625 1480/1898
405 662 980 7 MC6800AH12AC030000B000000ABAAB 632AG00xxxA 170 280 805 1582/1850
405 662 990 8 MC6985AH12AC030000B000000ABAAB 632AG00xxxA 140 230 985 1685/1875

Download:

Brochure Danfoss XCEL XL Motors

XCEL Series Low-Speed High-Torque Motors

Download (6.6MB)

Katalog Danfoss XCEL Series

Danofss XCEL XLH, XLS, XL2, XL4 and XL6 Series Low Speed High Torque Hydraulic Motors

Download (17.44MB)

Warenkorb

Es befinden sich keine weiteren Artikel in Ihrem Warenkorb

Anmelden

Shop

Meine Favoritenliste0