Klein-Aggregatereihe MPU NG06
1.4-16.8 L/Min.
bis 300 bar; 10-18 L Behältervolumen
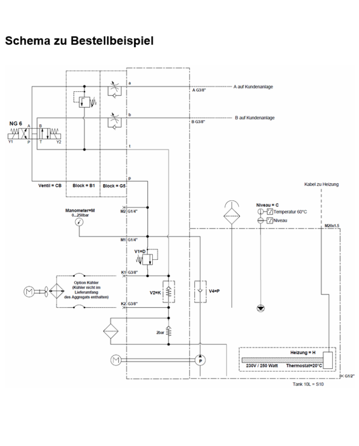
Bestell-Beispiel: MPU-03D1S10DKPMCHG5B1CB
Optionen:
- Behälter Stahl 10, 18 Liter
- Druckbegrenzungsventil
- Rückschlagventil Kühler
- Rückschlagventil Pumpe
- Manometer, mit Messanschluss
- Niveau-/Temperaturschalter
- Heizung
- Ventile auf Sektion NG06
Anwendungsbeispiele: Werkzeugmaschinen, Klemmmechanismen oder einfache Applikationen wie Hubbühnen oder Klappen
Mehr Informationen finden Sie im Katalog "Standard Klein-Aggregatereihe MPU NG06" unter Download.
Stellen Sie Ihr Hydraulik-Aggregat nach Ihren Anforderungen zusammen. Wir stehen Ihnen gerne beratend zur Seite. Wir freuen uns über Ihre Kontaktaufnahme.
Preise sind nur für registrierte Nutzer (B2B-Kunden) sichtbar.
Einloggen
kostenlos registrieren
Varianten
| Artikel-Nr. | Variante | Model Code | max. Betriebsdruck [bar] | max. Drehzahl [U/Min] | Spannung [VDC] | Frequenz [Hz] | max. Durchfluss [L/Min] | Motorleistung [kW] | Behältervolumen VB [L] | Spannung [V] |
|---|---|---|---|---|---|---|---|---|---|---|
| Klein-Aggregat NG06 - 10L | 1 | MPU-03D1S10DKPMCHG5B1CB | 160 | 1440 | 24 | 50 | 4.2 | 1.5 | 10 | 230 |