Entlüftungsschraube

von AMF 908S-30-XXX

Ausführung:
Gehäuse aus Edelstahl, Innenschraube und Dichtelement aus Edelstahl, Dichtung aus FKM.

Anwendung:
Entlüftungsschraube zum Entlüften von Spannvorrichtungen und Spannelementen. Kompakte und
einfache Bauweise bzw. Handhabung. Unempfindlich gegen äußere Einflüsse. Für Temperaturen bis
150 °C geeignet. Es ist ausreichend die Entlüftungsschraube um eine halbe Umdrehung zu öffnen.

Hinweis:
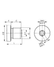
Zum Entlüften wird nur ein Innensechskantschlüssel SW3 benötigt. Die innere Entlüftungsschraube
wird entgegen dem Uhrzeigersinn geöffnet. Somit besteht beim Verschließen keine Gefahr des
Lösens der äußeren Schraube. Drehmomentangaben beachten.

Varianten

Artikel-Nr. Variante Model Code
501 002 501 1 908S-30-G1/8
501 002 502 2 908S-30-G1/4

Download:

Technische Doku 501 002 501-502

AMF Entlüftungsschraube 908S-30-XXX

Download (232.88KB)

Warenkorb

Es befinden sich keine weiteren Artikel in Ihrem Warenkorb

Anmelden

Shop

Meine Favoritenliste0