DBV bis 100 L/Min.

Danfoss/Eaton Model 1VR100
Cavity A3146

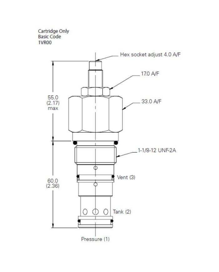
Danfoss/Eaton 1VR100 - Relief Valve
Spool, ventable, pilot operated

Operation
When inlet pressure exceeds the setting of the valve, the pilot section opens. The pilot flow causes a pressure imbalance across the main section spool causing it to open, allowing relief flow to tank.

When ‘vented’, pilot flow is referenced directly to tank, bypassing the pilot section. This flow through the vent causes a pressure imbalance, opening the main section and dumping the pump at minimum pressure drop.

Varianten

Artikel-Nr. Variante Model Code max. Betriebsdruck [bar] max. Durchfluss [L/Min] Anschluss Einschraubbohrung
307 303 510 1 1VR100-20S 350 100 cartridge only A3146

Download:

Datenblatt Eaton 1VR100

Eaton Vickers 1VR100 - Relief Valve

Download (550.71KB)

Warenkorb

Es befinden sich keine weiteren Artikel in Ihrem Warenkorb

Anmelden

Shop

Meine Favoritenliste0