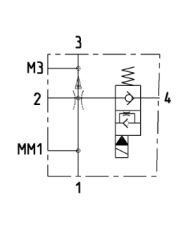
Ventilblock SUN komplett
DTDA XCN 924 GAU/S
-
DTDA XHN 924 GAU/S
Ventilblock komplett
mit 2/2-Wege-Magnetventil, Sitzbauweise
mit Magnetspule zu SUN Ventilen 24VDC
mit Gehäuse SUN GAU/S, G3/8", T-13A, ductile iron
Konfiguration Ventil: XCN in Ruhestellung geschlossen; XHN in Ruhestellung offen.
Preise sind nur für registrierte Nutzer (B2B-Kunden) sichtbar.
Einloggen
kostenlos registrieren
Varianten
| Artikel-Nr. | Variante | Model Code | max. Betriebsdruck [bar] | max. Durchfluss [L/Min] | Anschluss | Spannung/Frequenz [VDC] | Ventilstellung |
|---|---|---|---|---|---|---|---|
| 300 810 236 | 2 | DTDA XHN 924 GAU/S | 350 | 40 | G3/8" | 24 | offen |
| 300 810 227 | 1 | DTDA XCN 924 GAU/S | 350 | 40 | G3/8" | 24 | geschlossen |