DRV bis 320 L/Min.
SUN Model PVJA L*
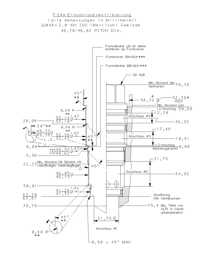
Einschraubbohrung T-24A
3-Wege-Druckregelventil, vorgesteuert, mit Lecköl nach Anschluss 4
Dieses vorgesteuerte 3-Wege-Druckregelventil mit externer Entlastung reduziert einen hohen Primärdruck an Anschluss 2 auf einen niedrigeren, geregelten Druck an Anschluss 1. Bei Überdruck an Anschluss 1 fließt das Öl über Anschluss 3 zum Tank ab. Das Ventil wird nicht durch Staudruck an Anschluss 3 (Tank) beeinflusst, da die Vorsteuerung separat zu Anschluss 4 entlastet wird, der auch zur Fernsteuerung verwendet werden kann.
- Der maximale Druck an Anschluss 3 sollte 210 bar nicht überschreiten.
- Vorgesteuerte Ventile haben eine sehr geringe Totzone zwischen Druckreduzierung und Druckbegrenzung.
- Der maximal zulässiger Zulaufdruck hängt vom Federeinstellbereich ab. Die Federbereiche D, E, N und Q sind mit einem maximalen Differenzdruck von 140 bar zwischen Zulauf und Ablauf getestet. Federbereiche A, B und H sind mit einem maximalen Differenzdruck von 210 bar zwischen Zulauf und Ablauf getestet. Federbereiche C und W funktionieren mit einem Zulaufdruck von 350 bar.
- Vorgesteuerte Ventile haben sehr gute, flache Ablaufdruckkurven, sind sehr stabil und haben geringe Hysterese.
- Druck an Anschluss 4 (Entlastungsanschluss) addiert sich 1:1 zum Einstellwert und sollte 350 bar nicht überschreiten.
Einstellung L: Standard Spindelverstellung
Preise sind nur für registrierte Nutzer (B2B-Kunden) sichtbar.
Einloggen
kostenlos registrieren
Varianten
| Artikel-Nr. | Variante | Model Code | max. Betriebsdruck [bar] | max. Durchfluss [L/Min] | Einschraubbohrung | Einstellbereich [bar] | Dichtung | Standard-Einstellung [bar] |
|---|---|---|---|---|---|---|---|---|
| 300 210 510 | 1 | PVJA LWN | 350 | 320 | T-24A | 10.5-315 | Buna-N | 14 |