DRV bis 320 L/Min.

SUN Model PVJB L*      
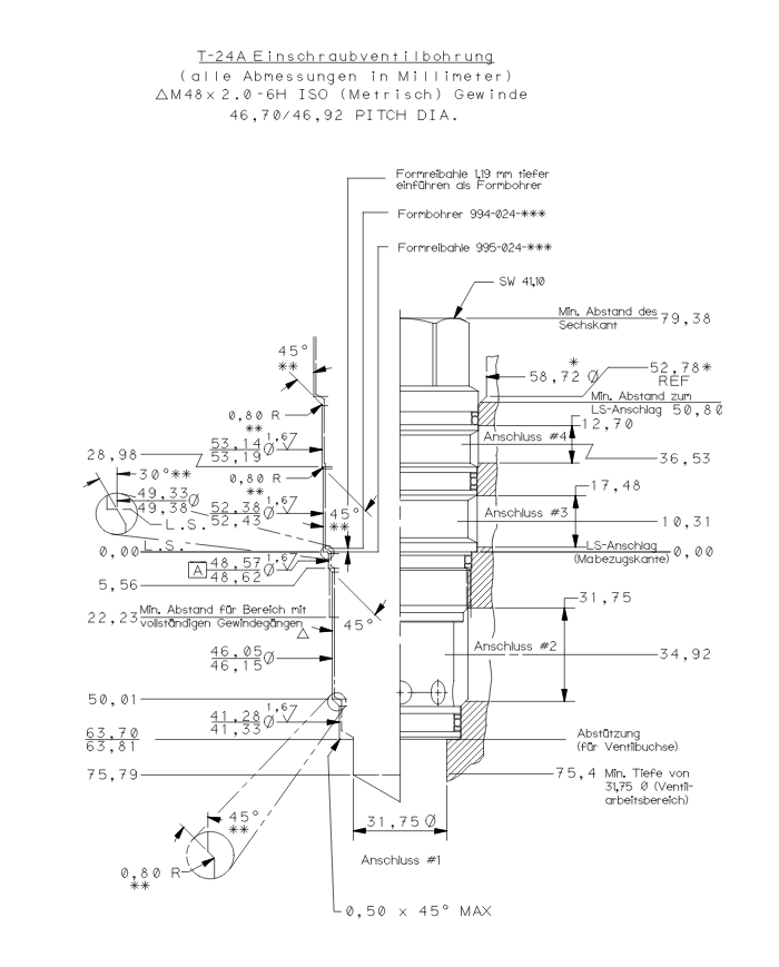
Einschraubbohrung T-24A

3-Wege-Druckregelventil, entlastbar, vorgesteuert

Entlastbare, vorgesteuerte 3-Wege-Druckregelventile reduzieren einen hohen Primärdruck an Anschluss 2 auf einen niedrigeren, geregelten Druck an Anschluss 1. Bei Überdruck an Anschluss 1 fließt Öl über Anschluss 3 zum Tank ab. Der Entlastungsanschluss 4 kann auch zur Fernsteuerung verwendet werden.

  • Druck an Anschluss 3 addiert sich 1:1 zum Einstellwert und sollte 210 bar nicht überschreiten.
  • Vorgesteuerte Ventile haben eine sehr geringe Totzone zwischen Druckreduzierung und Druckbegrenzung.
  • Der maximal zulässiger Zulaufdruck hängt vom Federeinstellbereich ab. Die Federbereiche D, E, N und Q sind mit einem maximalen Differenzdruck von 140 bar zwischen Zulauf und Ablauf getestet. Federbereiche A, B und H sind mit einem maximalen Differenzdruck von 210 bar zwischen Zulauf und Ablauf getestet. Federbereiche C und W funktionieren mit einem Zulaufdruck von 350 bar.

Einstellung L: Standard Spindelverstellung

Varianten

Artikel-Nr. Variante Model Code max. Betriebsdruck [bar] max. Durchfluss [L/Min] Einschraubbohrung Einstellbereich [bar] Dichtung Standard-Einstellung [bar]
300 210 558 1 PVJB LWN 350 320 T-24A 10.5-315 Buna-N 14

Download:

Technische Doku 300 210 558

3-Wege Druckregelventil SUN PVJB LWN

Download (36.64KB)

Warenkorb

Es befinden sich keine weiteren Artikel in Ihrem Warenkorb

Anmelden

Shop

Meine Favoritenliste0