SBV bis 480 L/Min.
SUN Model CAIA L*
Aufsteuerverhältnis 3:1
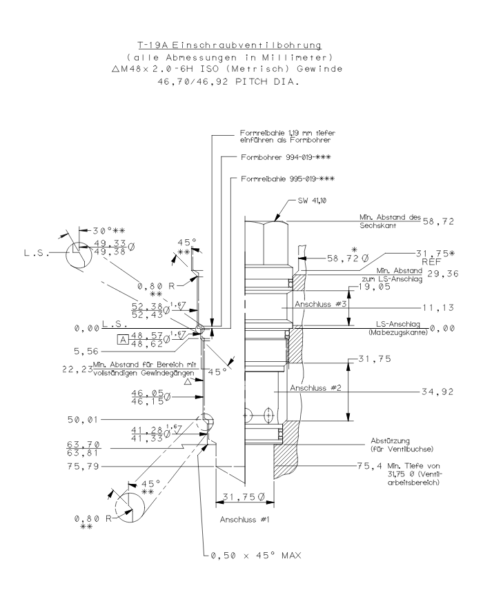
Einschraubbohrung T-19A
Senkbremshalteventil, atmosphärisch entlastet
Senkbremshalteventile mit Pilotanschluss steuern voreilende (negative) Lasten beim Absenken. Das integrierte Rückschlagventil erlaubt freien Durchfluss vom Wegeventil an Anschluss 2 zur Last an Anschluss 1. In Bremsrichtung (1 nach 2) drosselt ein direktgesteuertes Druckventil, dessen Öffnungsdruck über den Druck an Anschluss 3 (multipliziert mit dem Aufsteuerverhältnis) reduziert wird, den abfließenden Volumenstrom. Wenn kein Aufsteuerdruck an Anschluss 3 anliegt, wird die Last bei einer Druckeinstellung von mindestens 30% über maximalem Lastdruck sicher gehalten. Staudruck an Anschluss 2 hat keinen Einfluss auf die Druckeinstellung, da der Federraum atmosphärisch entlastet ist.
Einstellung: Standard Spindelverstellung
Preise sind nur für registrierte Nutzer (B2B-Kunden) sichtbar.
Einloggen
kostenlos registrieren
Varianten
| Artikel-Nr. | Variante | Model Code | max. Betriebsdruck [bar] | max. Durchfluss [L/Min] | Aufsteuerverhältnis | Einschraubbohrung | Einstellbereich [bar] | Dichtung | Standard-Einstellung [bar] |
|---|---|---|---|---|---|---|---|---|---|
| 300 401 110 | 2 | CAIA LHN | 280 | 480 | 3:1 | T-19A | 70-280 | Buna-N | 210 |
| 300 401 100 | 1 | CAIA LIN | 280 | 480 | 3:1 | T-19A | 28-105 | Buna-N | 70 |