bis 45 L/Min.
Danfoss/Eaton Vickers Model SV1-10-C
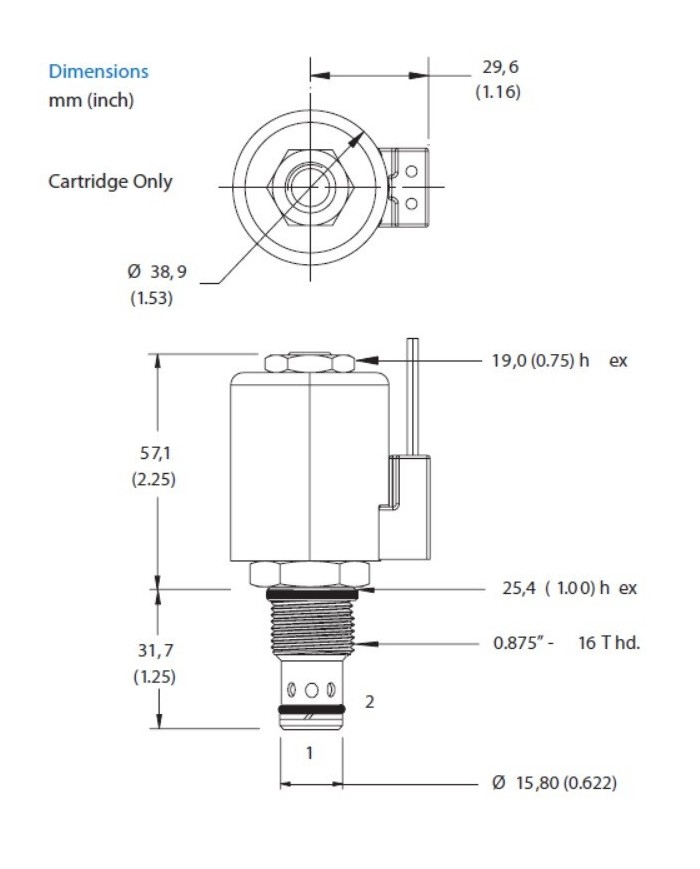
Cavity C-10-2 Size 10
Danfoss/Eaton SV1-10-C/CM/CR - Solenoid Valve
Poppet type, normally closed solenoid valve
Operation
In the de-energized position the valve blocks flow from port 2 to 1 and free flow is allowed from port 1 to 2.
When the solenoid is energized the pilot poppet is pulled off the seat allowing the valve to open from port 2 to 1. in the reverse direction the flow is restricted by the pilot orifice.
Preise sind nur für registrierte Nutzer (B2B-Kunden) sichtbar.
Einloggen
kostenlos registrieren
Varianten
| Artikel-Nr. | Variante | Model Code | max. Betriebsdruck [bar] | max. Durchfluss [L/Min] | Anschluss | Einschraubbohrung | Dichtung | Ventilstellung |
|---|---|---|---|---|---|---|---|---|
| 307 143 060 | 1 | SV1-10-C-000 | 210 | 45 | cartridge only | C-10-2 | Buna-N | normally closed |