DRV bis 80 L/Min.

SUN Model PBFB F*      
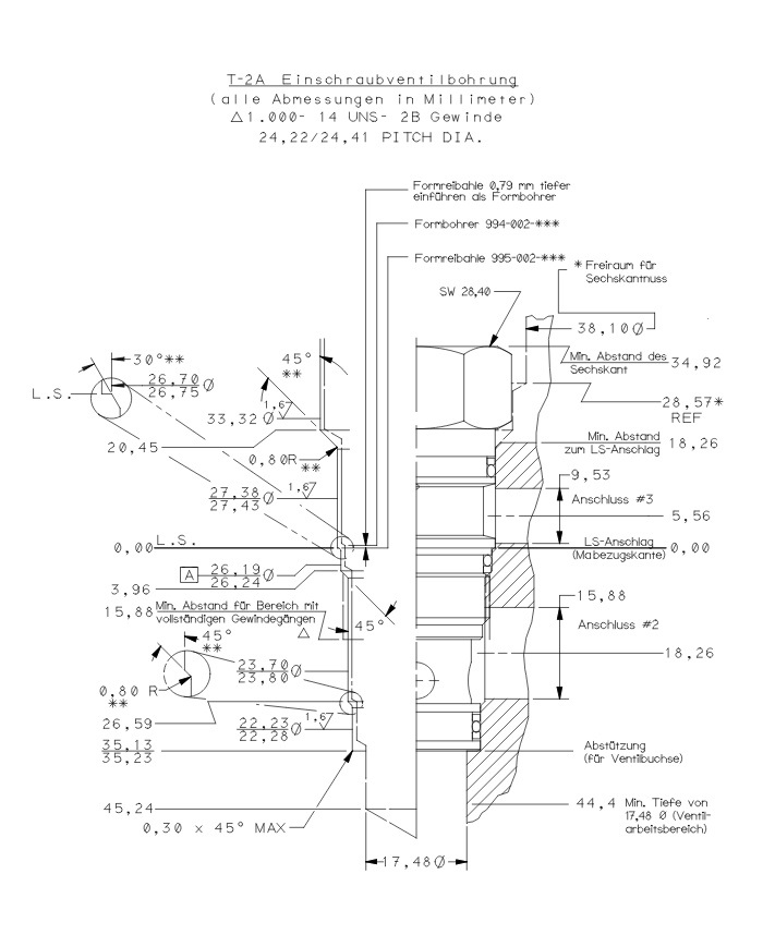
Einschraubbohrung T-2A

2-Wege-Druckregelventil, vorgesteuert

Vorgesteuerte 2-Wege-Druckregler reduzieren einen hohen Primärdruck an Anschluss 2 auf einen niedrigeren, geregelten Druck an Anschluss 1. Dadurch können Schaltungen mit unterschiedlichen Drücken von einer Pumpe versorgt werden.

Einstellung: PBFB F** Sechskantschraube mit Konternutter

Varianten

Artikel-Nr. Variante Model Code max. Betriebsdruck [bar] max. Durchfluss [L/Min] Einschraubbohrung Einstellbereich [bar] Dichtung Standard-Einstellung [bar]
300 200 090 1 PBFB FAN 350 80 T-2A 7-210 Buna-N 14
300 200 095 2 PBFB FBN 350 80 T-2A 3.5-105 Buna-N 14

Download:

Technische Doku 300 200 090

2-Wege-Druckregelventil SUN PBFB FAN

Download (36.49KB)

Technische Doku 300 200 095

2-Wege-Druckregelventile SUN PBFB FBN

Download (36.33KB)

Warenkorb

Es befinden sich keine weiteren Artikel in Ihrem Warenkorb

Anmelden

Shop

Meine Favoritenliste0