DRV bis 80 L/Min.

SUN Model PBFB J*      
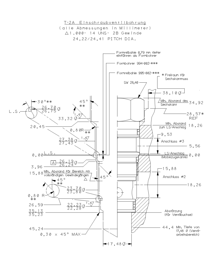
Einschraubbohrung T-2A

2-Wege-Druckregelventil, vorgesteuert

Vorgesteuerte 2-Wege-Druckregler reduzieren einen hohen Primärdruck an Anschluss 2 auf einen niedrigeren, geregelten Druck an Anschluss 1. Dadurch können Schaltungen mit unterschiedlichen Drücken von einer Pumpe versorgt werden.

Einstellung: PBFB J** Einstellspindel mit Kappe

Varianten

Artikel-Nr. Variante Model Code max. Betriebsdruck [bar] max. Durchfluss [L/Min] Einschraubbohrung Einstellbereich [bar] Dichtung Standard-Einstellung [bar]
300 200 110 2 PBFB JAN 350 80 T-2A 7-210 Buna-N 14
300 200 115 1 PBFB JBN 350 80 T-2A 3.5-105 Buna-N 14
300 200 120 3 PBFB JDN 350 80 T-2A 1.7-55 Buna-N 14
300 200 122 4 PBFB JEN 350 80 T-2A 1.7-28 Buna-N 14

Download:

Technische Doku 300 200 110

2-Wege-Druckregelventil SUN PBFB JAN

Download (35.91KB)

Technische Doku 300 200 115

2-Wege-Druckregelventil SUN PBFB JBN

Download (36.18KB)

Technische Doku 300 200 120

2-Wege-Druckregelventil SUN PBFB JDN

Download (32.46KB)

Technische Doku 300 200 122

2-Wege-Druckregelventil SUN PBFB JEN

Download (32.46KB)

Warenkorb

Es befinden sich keine weiteren Artikel in Ihrem Warenkorb

Anmelden

Shop

Meine Favoritenliste0