Druckwaage 38 L/Min.
Eaton Model PCS4-10
Einschraubbohrung C-10-4
Eaton Integrated - PCS4-10 - Pressure compensator - restrictive type
Bypass or priority
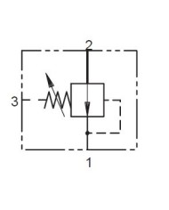
Operation
This valve, when used with either a fixed or variable orifice on port 4, maintains a constant flow out of port 3, regardless of pressure changes downstream of port 3. This is based on whatever pressure differential is chosen.
All flow in excess of the priority requirement is bypassed from port 1 to port 2. If the priority port is deadheaded, the valve will try to direct flow out of the priority port and shut off the bypass flow, blocking of all flow.
Features
Hardened and ground and honed working components. Cartridge construction for maximum mounting flexibility.
Description
This is a priority style compensator suitable for use with a separate needle valve or orifice to provide a priority pressure compensated flow. This when used in a manifold is ideal for motor or cylinder control where priority is required.
Preise sind nur für registrierte Nutzer (B2B-Kunden) sichtbar.
Einloggen
kostenlos registrieren
Varianten
| Artikel-Nr. | Variante | Model Code | max. Betriebsdruck [bar] | max. Durchfluss [L/Min] | Einschraubbohrung | Dichtung | Differenzdruck [bar] | Nenngrösse [NG] |
|---|---|---|---|---|---|---|---|---|
| 540 125 601 | 1 | PCS4-10-0-160 | 210 | 38 | C-10-4 | Buna-N | 11.0 | 10 |