3000 PSI Stahl S355J2

zum Einschrauben

Varianten

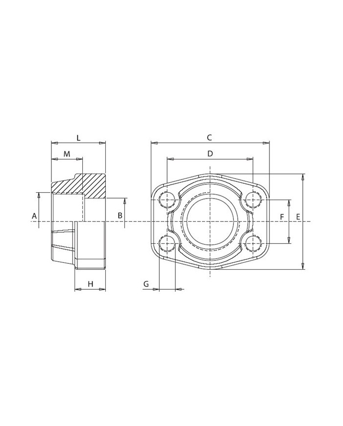
Artikel-Nr. Variante Model Code max. Betriebsdruck [bar] A ["] B [mm] C [mm] D [mm] E [mm] F [mm] H [mm] L [mm] M [mm] G
070 511 805 1 C. 080-GAS-F-F-M 345 1/2" 13 58 38.1 48 17.5 16 36 19 M8
070 511 807 2 C. 100-GAS-F-F-M 345 3/4" 19 67 47.6 50 22.2 18 36 19 M10
070 511 810 3 C. 102-GAS-F-F-M 345 1" 25 72 52.4 54 26.2 18 38 19 M10
070 511 811 4 C. 104-GAS-F-F-M 275 1 1/4" 31 81 58.7 70 30.2 21 41 22 M10
070 511 815 5 C. 106-GAS-F-F-M 200 1 1/2" 38 95 69.8 78 35.7 25 44 24 M12
070 511 820 6 C. 108-GAS-F-F-M 200 2" 50 104 77.8 90 42.9 25 45 26 M12
070 511 825 7 C. 110-GAS-F-F-M 170 2 1/2" 63 116 88.9 102 50.8 25 50 30 M12
070 511 830 8 C. 112-GAS-F-F-M 135 3" 73 136 106.4 125 61.9 27 50 34 M16
070 511 835 9 C. 114-GAS-F-F-M 35 3 1/2" 89 153 120.7 137 69.8 27 50 27 M16
070 511 840 10 C. 116-GAS-F-F-M 35 4" 99 163 130.2 147 77.8 27 50 30 M16

Download:

Warenkorb

Es befinden sich keine weiteren Artikel in Ihrem Warenkorb

Anmelden

Shop

Meine Favoritenliste0