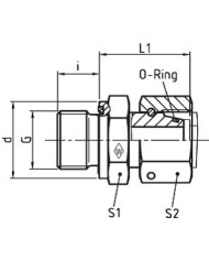
Serie S Gerade Einschraubstutzen EGESD - R-WD

Einschraubgewinde BSP (zylindrisch) und Weichdichtung Elastomer

mit Dichtkegel, O-Ring und Weichdichtung NBR (z.B. Perbunan).
FPM (z.B. Viton) auf Anfrage.

Eaton Walterscheid Verschraubungen.

Varianten

Artikel-Nr. Variante Model Code max. Betriebsdruck [bar] O-Ring d [mm] i [mm] G Rohr AD L1 [mm] S1 [mm] S2 [mm]
042 326 060 1 EGESD 6 SR-WD 800 bar 4.5x1.5 18.9 12 1/4A 6 27 19 17
042 326 080 2 EGESD 8 SR-WD 800 bar 6x1.5 18.9 12 1/4A 8 29.5 19 19
042 326 100 3 EGESD 10 SR-WD 800 bar 8.5x1.5 21.9 12 3/8A 10 32 22 22
042 326 120 4 EGESD 12 SR-WD 630 bar 10x1.5 21.9 12 3/8A 12 34 22 24
042 326 122 5 EGESD 12 SR-WD 630 bar 10x1.5 26.9 14 1/2A 12 34.5 27 24
042 326 140 6 EGESD 14 SR-WD 630 bar 12x2 26.9 14 1/2A 14 36.5 27 27
042 326 160 7 EGESD 16 SR-WD 630 bar 14x2 26.9 14 1/2A 16 37 27 30
042 326 200 8 EGESD 20 SR-WD 420 bar 17.3x2.4 31.9 16 3/4A 20 43 32 36
042 326 250 9 EGESD 25 SR-WD 420 bar 22.3x2.4 39.9 18 1A 25 48 41 46
042 326 300 10 EGESD 30 SR-WD 400 bar 27.3x2.4 49.9 20 1 1/4A 30 51 50 50
042 326 380 11 EGESD 38 SR-WD 400 bar 35x2.5 54.9 22 1 1/2A 38 60 55 60

Warenkorb

Es befinden sich keine weiteren Artikel in Ihrem Warenkorb

Anmelden

Shop

Meine Favoritenliste0