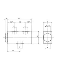
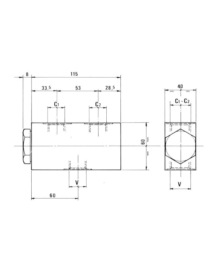
Mengenteiler bis 38 L/Min.
DRF 0338
Teilungsverhältnis: 50% / 50%
Preise sind nur für registrierte Nutzer (B2B-Kunden) sichtbar.
Einloggen
kostenlos registrieren
Varianten
| Artikel-Nr. | Variante | Model Code | max. Betriebsdruck [bar] | max. Durchfluss [L/Min] | Gewicht [kg] | Anschluss V ["] | Anschluss C1/C2 ["] |
|---|---|---|---|---|---|---|---|
| 310 180 415 | 1 | DRF 0338 | 210 | 25-38 | 0.90 | 1/2 BSPP | 3/8 BSPP |