Plattenwärmetauscher

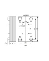
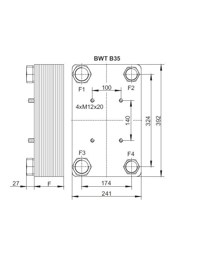
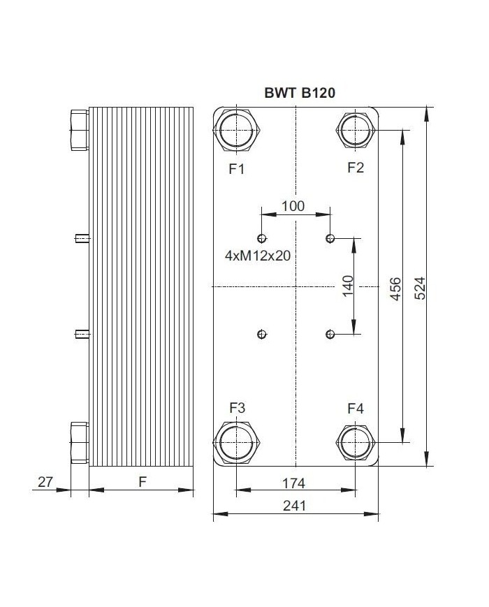
BWT B35, B120 von Bühler Technologies

Öl-/Wasserkühler

Das wirksamste Kühlmittel zur Stabilisierung der Betriebstemperatur in ölhydraulischen Anlagen ist Wasser. Selbst in betriebseigenen Kühlkreisläufen, wie sie vielen Betrieben der Automobil- oder der Stahlindustrie vorhanden sind, steht es meistens in einem Temperaturbereich zur Verfügung, der ein großes Delta-T zur Öleingangstemperatur gewährleistet.

Die von uns angebotenen Plattenwärmetauscher bieten einen sehr hohen und wirkungsvollen Wärmetransfer. Dank der kompakten Plattenverbindung und der sinnvollen Profilierung der Platten erreichen wir spezifische Leistungen, die zu wesentlich kleineren Baumaßen bei gleicher oder besserer Austauschleistung führen, als mit herkömmlichen Röhrenwärmetauschern zu realisieren wären.

  • Hohe Übertragungsleistung
  • Gleichmäßige, turbulente Durchströmung
  • Kleines Einbauvolumen
  • Hohe Druckfestigkeit
  • Geringer Wasserverbrauch
  • Wartungsfrei
  • Großer Temperaturbereich
  • Einfache Installation

Varianten

Artikel-Nr. Variante Model Code F [mm] Gewicht [kg] Kühlleistung [kW] Oelanschluss F3,F1["]; SW[mm] Wasseranschluss F2,F4["]; SW[mm] Volumen [Liter]
160 605 235 1 BWT B35x040 103 18.0 30-105 G1 1/2; 60 G1 1/4; 50 5.0
160 605 236 2 BWT B35x060 151 24.0 55-155 G1 1/2; 60 G1 1/4; 50 8.0
160 605 237 3 BWT B35x090 223 34.0 55-175 G1 1/2; 60 G1 1/4; 50 12.0
160 605 245 4 BWT B120x060 151 31.0 55-190 G1 1/2; 60 G1 1/4; 50 10.0
160 605 247 5 BWT B120x120 295 57.0 135-280 G1 1/2; 60 G1 1/4; 50 21.0

Download:

Techn. Doku. Bühler BWT

Plattenwärmetauscher BWT von Bühler Technologies

Download (423.96KB)

Warenkorb

Es befinden sich keine weiteren Artikel in Ihrem Warenkorb

Anmelden

Shop

Meine Favoritenliste0