SBV bis 120 L/Min.
Eaton Model 1CEB120
Aufsteuerverhältnis 3:1/8:1
Einschraubbohrung A877
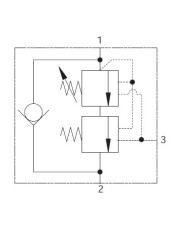
Eaton Integrated 1CEB120 - Overcenter valve - Fully balanced, pilot assisted relief with check
Description
Overcenter valves give static and dynamic control of loads by supplying a counterbalance pressure to the actuator. They prevent runaway in the event of hose burst and hold the load with minimal leakage.
The pressure balanced valve is unaffected by back pressure, allowing service line reliefs to operate and for the valve to be used in regenerative or proportional valve systems.
The overcenter valve should be mounted either into, onto or as close to the actuator as possible to give maximum protection.
Single overcenter valves control unidirectional loads such as in aerial platforms, cranes or winches and dual overcenters are suited to bi-directional motion such as wheel motor applications or cylinders going over center.
Adjustment means
P = Leakproof screw adjustment
Preise sind nur für registrierte Nutzer (B2B-Kunden) sichtbar.
Einloggen
kostenlos registrieren
Varianten
| Artikel-Nr. | Variante | Model Code | max. Betriebsdruck [bar] | max. Durchfluss [L/Min] | Anschluss | Aufsteuerverhältnis | Einschraubbohrung | Einstellbereich [bar] | Dichtung | Hinweis | Standard-Einstellung [bar] |
|---|---|---|---|---|---|---|---|---|---|---|---|
| 540 125 023 | 2 | 1CEB120-P-35-SV-8 | 270 | 120 | 8:1 | A877 | 70-350 | Viton | Cartridge Only | 280 | |
| 540 125 021 | 1 | 1CEB120-P-35-S-3 | 270 | 120 | 3:1 | A877 | 70-350 | Nitrile | Cartridge Only | 210 |