SBV bis 140 L/Min.

Eaton Model 1CEL140
Aufsteuerverhältnis Primary 6.1:1 Secondary 0.5:1
Einschraubbohrung A20081

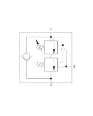
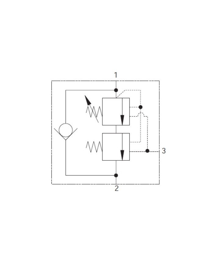
Eaton Integrated 1CEL140 - Overcenter valve - Counterbalance, pilot assisted relief with check

Description
The 1CEL overcenter valve performs all duties of a regular overcenter but maintains a counterbalance pressure to provide dampening of cylinders when there is a rapid loss in stored pressure. This counterbalance pressure reduces as the pilot pressure increases. Typical applications include extension cylinders on telescopic handlers where it is important to have a smooth operation when retracting from full extension.

Adjustment means
F = Screw Adjustment

Varianten

Artikel-Nr. Variante Model Code max. Betriebsdruck [bar] max. Durchfluss [L/Min] Anschluss Aufsteuerverhältnis Einschraubbohrung Einstellbereich [bar] Dichtung Hinweis Standard-Einstellung [bar]
540 125 025 1 1CEL140-F-30-S-220/60 220/60 140 Primary 6.6:1;Secondary 0.5:1 A20081 230-380 Nitrile Cartridge Only 280

Download:

Katalog Eaton MCV

Eaton Integrated Hydraulic Screw-in Cartridge Valves (SiCV) - Motion control valves

Download (14.74MB)

Warenkorb

Es befinden sich keine weiteren Artikel in Ihrem Warenkorb

Anmelden

Shop

Meine Favoritenliste0