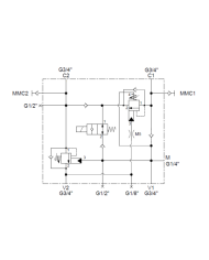
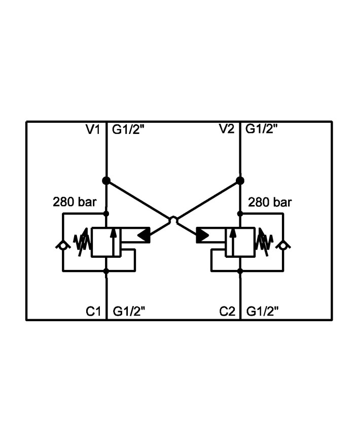
Varianten

Artikel-Nr. Variante max. Betriebsdruck [bar] max. Durchfluss [L/Min] Anschluss
750 647 820 1 280 60 G1/2"

Warenkorb

Es befinden sich keine weiteren Artikel in Ihrem Warenkorb

Anmelden

Shop

Meine Favoritenliste0