Alle Kategorien
Alle Kategorien
Leitungseinbau Ventilblock
- Einfach-Senkbremsventilblock
- Doppel-Senkbremshalteventilblock
- Schockventilblock mit entsp. RSV
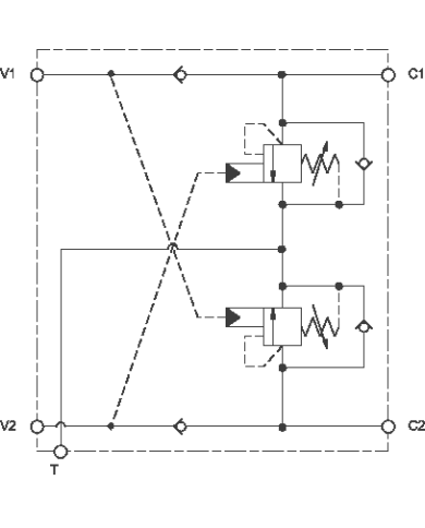
- Doppel-Schockventilblock mit entsperrb. RSV
- Doppel-Schockventile
- Druckbegrenzungsventile
- Druckbegrenzung in Gleichrichterschaltung
- Umlauf- und Druckbegrenzungsventilblock
- Sperrventile
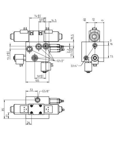
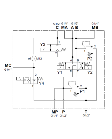
- Wegeventile elektr. betätigt
- Schwenkbremsbaugruppe
- Hammerventilblock
- Spülventilblock
Filtern nach
Filter: